產品目錄
91看片儿免费看
液體流量計
91看片视频免费
油流量計
91看片网站下载
橢圓齒輪流量計
電磁流量計
渦街流量計
蒸汽流量計
孔板流量計
旋進旋渦流量計
熱式氣體質量流量計
轉子流量計
浮子流量計
靶式流量計
氣體流量計
超聲波流量計
磁翻板液位計
浮子液位計
浮球液位計
玻璃管液位計
雷達液位計
超聲波液位計
投入式液位計
壓力變送器
差壓變送器
液位變送器
溫度變送器
熱電偶
熱電阻
雙金屬溫度計
推薦產品
聯係91看片下载免费观看
- 金湖91看片下载免费观看儀表有限公司
- 聯係電話:15195518515
- 在線客服:1464856260
- 電話:0517-86801009
- 傳真號碼:0517-86801007
- 郵箱:1464856260@qq.com
- 網址:http://www.zhongtaijixie.net
- 地址:江蘇省金湖縣理士大道61號
91看片网站下载接線圖
發布時間:2021-04-24 07:51:47 點擊次數:3534次
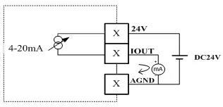
兩線製4-20mA輸出功能接線說明

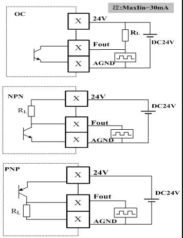
三線製4-20mA電流輸出

脈衝輸出接線圖

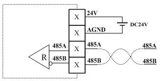
RS485輸出接線圖

IC卡信號接線說明

說明:
1、默認低電平,高電平有效,高電平>2.8V,低電平<0.2V,脈衝寬度可設置,BC、BL接線方式與IC信號相同(詳細請谘詢售後人員)。
2、任意供電下均有IC卡信號輸出。
報警輸出接線說明

上一篇:91看片网站下载的用途下一篇:橢圓齒輪流量計不轉的原因
相關資訊
- 91看片网站下载安裝直管段要求
- 91看片网站下载的結構與工作原理
- 91看片网站下载的產品特點和適用範圍
- 91看片网站下载選型指南與外形尺寸
- 91看片网站下载使用環境
- 91看片网站下载使用注意事項
- 91看片网站下载怎麽清洗
- 91看片网站下载適用範圍
- 91看片网站下载為什麽要加油
- 91看片网站下载波動大解決辦法
- 91看片网站下载安裝距離要求
- 91看片网站下载安裝注意事項
- 91看片网站下载應用範圍
- 91看片网站下载常見故障有哪些
- 提高91看片网站下载精度的方法
- 91看片网站下载精度等級
- 91看片网站下载的技術參數
- 91看片网站下载不準原因
- 91看片网站下载的優缺點
- 91看片网站下载的用途
- 91看片网站下载接線圖
- 91看片网站下载種類
- 用91看片网站下载測量天然氣流量
- 91看片网站下载的優點
- 91看片网站下载使用方法
- 91看片网站下载的選型表
- 91看片网站下载結構圖
- 影響91看片网站下载測量精度的因素及措施
- 91看片网站下载維護保養
- 91看片网站下载特點

