產品目錄
91看片儿免费看
液體流量計
91看片视频免费
油流量計
91看片网站下载
橢圓齒輪流量計
電磁流量計
渦街流量計
蒸汽流量計
孔板流量計
旋進旋渦流量計
熱式氣體質量流量計
轉子流量計
浮子流量計
靶式流量計
氣體流量計
超聲波流量計
磁翻板液位計
浮子液位計
浮球液位計
玻璃管液位計
雷達液位計
超聲波液位計
投入式液位計
壓力變送器
差壓變送器
液位變送器
溫度變送器
熱電偶
熱電阻
雙金屬溫度計
推薦產品
聯係91看片下载免费观看
- 金湖91看片下载免费观看儀表有限公司
- 聯係電話:15195518515
- 在線客服:1464856260
- 電話:0517-86801009
- 傳真號碼:0517-86801007
- 郵箱:1464856260@qq.com
- 網址:http://www.zhongtaijixie.net
- 地址:江蘇省金湖縣理士大道61號
91看片网站下载的安裝要求
發布時間:2021-03-20 14:06:17 點擊次數:2032次
91看片网站下载儀表外形尺寸及安裝
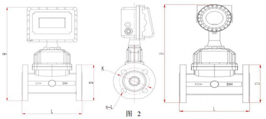
4.1 流量計外形尺寸及安裝
91看片网站下载的外形尺寸見圖2,圖中未注尺寸列於表2中,流量計采用法蘭連接方式。法蘭尺寸執行GB/T9112~9113-2000標準。


注:圖 1所示為溫壓補償型儀表外型。
所有型號儀表傳感器部分以及整機高度尺寸一致,該尺寸僅供參考,具體參考實物,技術升級導致尺寸變更暫不另行通知。
4.2 流量計安裝
1.對於新安裝或檢修後的管道務必進行吹掃,去除管道中的雜物後方能安裝流量計。在進行所有流體靜壓實驗和清掃管路操作期間,應拆下儀表,以免測量部件的嚴重損壞。
2.安裝前,用微小氣流吹動渦輪時,渦輪能轉動靈活,並沒有無規則的噪音,計數器轉動正常,無間斷卡滯現象,則流量計可安裝使用。
3.流量計安裝時法蘭和管道法蘭中間要加密封墊圈。
4.流量計上遊處(≧2DN)必須安裝相應規格的過濾器,氣質較髒的場合應加裝油過濾器,用戶訂貨前,可同時向我公司訂貨,嚴禁過濾器和流量計直接相連。
5.流量計在安裝時前後均應加截至閥門。
6.法蘭盤連接處管道內經處不應該有突起相連接。
7.流量計安裝時,嚴禁在其進出口法蘭處直接進行電焊,以免燒壞流量計內部零件。
8.流量計應安裝在便於維修、無強電磁場幹擾、無機械振動以及熱輻射影響的場所;
9.流量計不宜用在流量頻繁中斷和有強烈脈動流或壓力脈動的場合;
10流量計室外安裝時,上部應有遮蓋物,以防雨水浸入和烈日曝曬影響流量計使用壽命;
11.流量計可水平或垂直安裝,流體流動方向應與殼體上標識的方向一致,在流量計的上、下遊應保證有 2DN和 1DN的直管段長度。
12.為了不影響流體正常輸送,建議按圖 3安裝旁通管道,在正常使用時必須關閉旁通管道閥門。

13.在管道施工時,應考慮安裝伸縮管或波紋管,以免對流量計造成嚴重的拉伸或斷裂;
14.應確保管道與流量計入口和出口的連接同軸,並防止墊圈和焊縫突入管道內,否則會擾亂流動剖麵;
15.采用外電源時,流量計必須有可靠接地,但不得與強電係統共用地線;在管道安裝或檢修時,不得把電焊係統的地線與流量計搭接;
16.管道安裝完畢進行密封性試壓時,應注意流量計壓力傳感器所能承受的*高壓力(即檢定**上介質*大壓力),以免損壞壓力傳感器。
17.流量計投入運行時,應緩慢開啟閥門(開啟時間不少於 15s),逐步增加流速,以免瞬間氣流衝擊而損壞渦輪。
4.2.2 防爆場所安裝要求
1.流量計應有可靠的接地,防爆接地不應與強電係統的保護接地共用。
2.現場測試電源時,不允許使用交流電源接地。
3.在任何情況下,用戶不得自行更改防爆電路、元器件和防爆型式。
4.必須先切斷外接電源再打開轉換器蓋子。
上一篇:91看片视频免费如何接線下一篇:91看片网站下载的工作原理
相關資訊
- 91看片网站下载安裝直管段要求
- 91看片网站下载的結構與工作原理
- 91看片网站下载的產品特點和適用範圍
- 91看片网站下载選型指南與外形尺寸
- 91看片网站下载使用環境
- 91看片网站下载使用注意事項
- 91看片网站下载怎麽清洗
- 91看片网站下载適用範圍
- 91看片网站下载為什麽要加油
- 91看片网站下载波動大解決辦法
- 91看片网站下载安裝距離要求
- 91看片网站下载安裝注意事項
- 91看片网站下载應用範圍
- 91看片网站下载常見故障有哪些
- 提高91看片网站下载精度的方法
- 91看片网站下载精度等級
- 91看片网站下载的技術參數
- 91看片网站下载不準原因
- 91看片网站下载的優缺點
- 91看片网站下载的用途
- 91看片网站下载接線圖
- 91看片网站下载種類
- 用91看片网站下载測量天然氣流量
- 91看片网站下载的優點
- 91看片网站下载使用方法
- 91看片网站下载的選型表
- 91看片网站下载結構圖
- 影響91看片网站下载測量精度的因素及措施
- 91看片网站下载維護保養
- 91看片网站下载特點

