91看片下载免费观看,91看片儿免费看,91看片网站下载,91看片视频免费

歡迎光臨金湖91看片下载免费观看儀表有限公司!本公司主營:渦輪流量計,電磁流量計,渦街流量計,孔板流量計,金屬管浮子流量計,磁翻板液位計等儀器儀表,聯係熱線:15195518515

金湖91看片下载免费观看儀表有限公司LOGO

金湖91看片下载免费观看儀表有限公司

品質保證,服務周到,儀器儀表供應商

--24小時服務熱線--15195518515

橢圓齒輪流量計概述

橢圓齒輪流量計是用於管道中液體流量連續或間斷測量和控製的容積式計量儀表。它具有量 程範圍大、準確度高、壓力損失小、粘度適應性強、能測量高溫高粘液體、標定方便、安裝建議等諸多優點。適用於石油、化工、化纖、交通、商貿、食品、醫藥衛生等部門的流量計量。

LC 係列橢圓齒輪流量計裝有指針和字輪累積裝置,可現場直接顯示流經管道內的液體流量和 瞬時流量。在計數機構中附加發訊裝置與電顯儀表配套可實現累積、定量和瞬時流量遠傳集中控製。 加裝散熱器或橢輪欠齒可測量高溫、高粘液體。

不同的液體(酸、堿、鹽、有機溶液等)流量計主體可選擇不同的材質製造。

橢圓齒輪流量計產品分類圖


橢圓齒輪流量計結構與工作原理

橢圓齒輪流量計由流量變送器和計數機構組成。變送器與計數機構之間加裝散熱器,則構成高 溫型流量計。送變器由裝有一對橢圓齒輪轉子的計量室和密封聯軸器組成,計數機構則包含減速機 構、調節機構、計數器、發訊器。

橢圓齒輪流量計結構圖

計量室內由一對橢圓齒輪與蓋板構成初月形空腔作為流量的計量單位。橢圓齒輪靠流量計進出 口壓力差推動而旋轉,從而不斷地將液體經初月形空腔計量後送到出口處,每轉流過的液體是初月 形空腔的四倍,由密封聯軸器將橢圓齒輪轉的總數以及旋轉的快慢傳遞給計數機構或發訊器,便可 知道通過管道中液體總量和瞬時流量。

橢圓齒輪流量計工作原理圖

1.各種計數器功能及代號

橢圓齒輪流量計計數器功能及代號表

2.型號及主要零件材質

橢圓齒輪流量計規格型號材質表

*如有特殊需要請另行注明


橢圓齒輪流量計性能(誤差與壓力損失曲線)

橢圓齒輪流量計誤差與壓力損失曲線圖

解釋:1 圖中各種不同液體可用精度調節裝置將流量計誤差調整在 0 軸上下,使誤差達*佳值。

2 任何液體縮少流量量程比情況下,用精度調節裝置可提高流量計精度。


橢圓齒輪流量計技術參數

1 鑄鐵型、鑄鋼型、不鏽鋼型橢圓齒輪流量計

橢圓齒輪流量計技術參數表

2 高粘型橢圓齒輪流量計

高粘度橢圓齒輪流量計技術參數表

3 高精度橢圓齒輪流量計

高精度橢圓齒輪流量計技術參數表


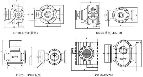
橢圓齒輪流量計外形尺寸

1 鑄鐵型橢圓齒輪流量計外形尺寸

型號:LC—A、LC—NA

橢圓齒輪流量計尺寸圖

橢圓齒輪流量計尺寸對照表


2 鑄鋼型外形尺寸

型號:LC—E、LC—NE、 (外形同上)

鑄鋼型橢圓齒輪流量計外形尺寸圖

*DN10/DN50(輕型)/DN65/DN80(輕型)法蘭尺寸為 1.6MPa 標準;其餘口徑為 6.4MPa 標準;


3 LC—B 型不鏽鋼橢圓齒輪流量計外形尺寸(單位:mm)

不鏽鋼橢圓齒輪流量計外形尺寸圖

*高溫型橢圓齒輪流量計外形尺寸:DN15~DN50(輕型),B 尺寸按上表數據加 100mm 熱延伸管;DN50 (重型)~DN200,B 尺寸按上表尺寸加160mm 熱延伸管,其餘尺寸同上表相應尺寸。


橢圓齒輪流量計的安裝使用

1 流量計前應安裝配套過濾器,且配套過濾器的出口緊接流量計的入口,兩者本體上箭頭指向 與液體流向一致。

2 當被測液體含有氣體時,流量計前應安裝消氣過濾器。

3 不論管路是垂直還是水平安裝,但流量計中的橢圓齒輪應安裝成水平位置(即表度盤應與地 麵垂直)。

4 流量計在正確安裝情況下,如果不易看清讀數,可把計數器轉向 180 度或 90 度均可。

5 新流量計在安裝前先用竹棍從出口處把橢圓齒輪推幾次,如發現不動,可以用柴油浸泡(避免 出廠校驗後內存沉澱物)。

6 流量控製閥應安裝在流量計進口處,開閉閥門裝在出口處,使用開閉閥時緩慢啟動,不要突 然開啟以防“水擊”現象。

7 在新管道上安裝流量計前,管道需要衝洗,衝洗時采用直管段(替代流量計位置)防止焊渣, 雜物等進入流量計。

8 嚴禁用水校驗鑄鐵、鑄鋼材質的流量計。

9 流量計在使用時流量大小不得超過技術要求.流量計工作在*大流量 50—80%為優。

10 被測液體如果具有化學腐蝕性,須選用不鏽鋼材質的流量計。

橢圓齒輪流量計現場安裝使用圖


橢圓齒輪流量計誤差計算及調整

1 流量計的基本誤差,由各檢定流量點的各種測得值,分別按正式計算:(容積法)

E=(Vm—V)/V×100%

E—流量計誤差(一般指累積誤差)取二位有效數字.

Vm—流量計測得值

V—經修正後,流量標準裝置測得值(即實際值)

由基本誤差計算公式,當

Vm>V 時,流量計基本誤差為”+”值,表示流量計走快了.

Vm<V 時,流量計基本誤差為”—”值,表示流量計走慢了。

為了使流量計誤差在基本誤差限之內,往往需要進行誤差調整.即通過更換裝在計數器內的一 對調整齒輪(調整牙)來改變機械傳動速比,從而使流量計的示值得以調整。

誤差調整不能改變流量計的流量特性,僅使其特性曲線人為的處於新的坐標係中。

一般來說,在規定(或實際使用)的流量範圍內,其*大與*小流量點的基本誤差範圍不在規定 精度的基本誤差限,均可通過誤差調整使其流量計基本誤差合格。

已使用過的流量計,一般先用原來的調節齒輪組進行誤差檢定,然後根據具體的誤差情況再進 行誤差調整。


2 橢圓齒輪流量計誤差調整方法(誤差調整表使用說明)

1. 設計時的標準雙層齒輪是 38/35,在檢驗時若發現流量計走快了.如+1.02~0.3 時,應將雙 層齒輪 38/35 齒輪對應的零位,上移到 41/38 齒輪相對應+0.63 的位置,這樣差曲線便處於新的坐 標係中,而流量計的誤差被調整在+0.33~—0.33 的範圍內,便達到合格要求。

2. 流量計在使用中,由於工作條件不同和變化,誤差往往會變化,以至超差,隻要誤差範圍 不超過 1%一般均可以調節.例如儀表誤差下降到—0.7~+0.2,而需調換雙層齒輪時,*先應看雙層 齒輪是多少齒的,如果是 38/35 則按(1)法調整,若是 41/38 齒輪時,則應將該齒輪相對應的誤差 +0.63 作為零位,這時應將 41/38 齒輪調換成 40/37 雙層齒輪,誤差便可調整到—0.5~+0.4 範圍內 保證合格。


橢圓齒輪流量計常見故障原因,排除方法

橢圓齒輪流量計常見故障排除對照表


橢圓齒輪流量計型號標識

橢圓齒輪流量計規格選型表


防爆腰輪流量計
防爆腰輪流量計
羅茨腰輪流量計
羅茨腰輪流量計
燃氣腰輪流量計
燃氣腰輪流量計
回零型腰輪流量計
回零型腰輪流量計
智能腰輪流量計
智能腰輪流量計
腰輪流量計
腰輪流量計
液體腰輪流量計
液體腰輪流量計
天然氣腰輪流量計
天然氣腰輪流量計
氣體腰輪流量計
氣體腰輪流量計
防爆橢圓齒輪流量計
防爆橢圓齒輪流量計
脈衝輸出橢圓齒輪流量計
脈衝輸出橢圓齒輪流量計
衛生級橢圓齒輪流量計
衛生級橢圓齒輪流量計
橢圓型齒輪流量計
橢圓型齒輪流量計
遠傳橢圓齒輪流量計
遠傳橢圓齒輪流量計
回零型橢圓齒輪流量計
回零型橢圓齒輪流量計
智能橢圓齒輪流量計
智能橢圓齒輪流量計
lc橢圓齒輪流量計
lc橢圓齒輪流量計
不鏽鋼橢圓齒輪流量計
不鏽鋼橢圓齒輪流量計
高溫型橢圓齒輪流量計
高溫型橢圓齒輪流量計
網站地圖