產品目錄
91看片儿免费看
液體流量計
91看片视频免费
油流量計
91看片网站下载
橢圓齒輪流量計
電磁流量計
渦街流量計
蒸汽流量計
孔板流量計
旋進旋渦流量計
熱式氣體質量流量計
轉子流量計
浮子流量計
靶式流量計
氣體流量計
超聲波流量計
磁翻板液位計
浮子液位計
浮球液位計
玻璃管液位計
雷達液位計
超聲波液位計
投入式液位計
壓力變送器
差壓變送器
液位變送器
溫度變送器
熱電偶
熱電阻
雙金屬溫度計
推薦產品
聯係91看片下载免费观看
- 金湖91看片下载免费观看儀表有限公司
- 聯係電話:15195518515
- 在線客服:1464856260
- 電話:0517-86801009
- 傳真號碼:0517-86801007
- 郵箱:1464856260@qq.com
- 網址:http://www.zhongtaijixie.net
- 地址:江蘇省金湖縣理士大道61號
關於柴油流量表的優點與在原油貿易計量中應用
發布時間:2021-01-09 16:42:53 點擊次數:2031次
柴油流量表是一種精密流量測量儀表,與相應的流量積算儀表配套可用於測量液體的流量和總量。與定量控製儀配套使用,可以對液體加料進行高精度定量控製。廣泛用於石油、化工、冶金、科研等領域的計量。控製係統。配備有衛生接頭的渦輪流量傳感器可以應用於製藥行業:柴油流量表還可與控製室中的二次儀表相連,實現積算、傳輸、通訊和控製功能。
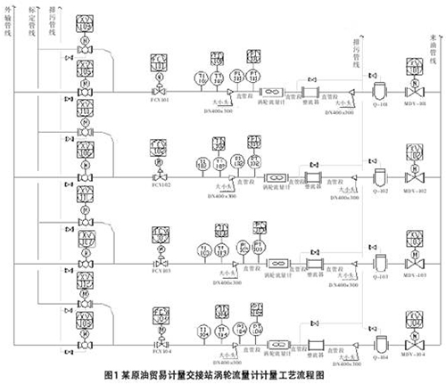
以某原油貿易計量交接站要求滿足輸量1500×104t/a為例,折算到流量為2100m3/h,若采用3用1備,單路流量至少需達到700m3/h。根據計算,選擇流量範圍為(200~2000)m3/h的DN250螺旋型柴油流量表較為合適;3用1備,每1路的流量使用在(900~1400)m3/h,每路流量在1400m3/h左右即可滿足輸量的要求。柴油流量表是一種速度式流量計,流態對其測量準確度的影響較大,應配備足夠長的直管段及整流器以保證柴油流量表進口端有良好的速度分布,以提高測量準確度等級。其工藝流程如圖1所示。

柴油流量表用於原油貿易交接計量一般要求係統具有較好的配套性,配備溫度變送器和壓力變送器等輔助設備儀表,計量係統可以實現流量、壓力和溫度的自動測量、補償和油量計算。通過流量計算機可實時修正相關係數,以保證計量係統準確度要求。通過自動取樣裝置,可實現油樣的連續采集。
設有1套在線分析係統,對原油密度、黏度和含水等**進行檢測。柴油流量表的檢定采用體積管在線檢定,采用體積管對這4台流量計檢定的流量計係數(流量計係數是流量計基本誤差的一種表示方法,貿易交接量=流量計讀數×流量計係數)趨勢圖如圖2~圖5所示。

從圖2~圖5可以看出,這4台柴油流量表具有較強的穩定性和可靠性,其重複性和準確度較好,滿足原油貿易交接計量要求。
二、結束語
由於柴油流量表自身的優點和成功應用,以後柴油流量表在國內原油貿易交接計量中的應用將越來越廣泛,成為優先選用的流量計類型。
以某原油貿易計量交接站要求滿足輸量1500×104t/a為例,折算到流量為2100m3/h,若采用3用1備,單路流量至少需達到700m3/h。根據計算,選擇流量範圍為(200~2000)m3/h的DN250螺旋型柴油流量表較為合適;3用1備,每1路的流量使用在(900~1400)m3/h,每路流量在1400m3/h左右即可滿足輸量的要求。柴油流量表是一種速度式流量計,流態對其測量準確度的影響較大,應配備足夠長的直管段及整流器以保證柴油流量表進口端有良好的速度分布,以提高測量準確度等級。其工藝流程如圖1所示。

柴油流量表用於原油貿易交接計量一般要求係統具有較好的配套性,配備溫度變送器和壓力變送器等輔助設備儀表,計量係統可以實現流量、壓力和溫度的自動測量、補償和油量計算。通過流量計算機可實時修正相關係數,以保證計量係統準確度要求。通過自動取樣裝置,可實現油樣的連續采集。
設有1套在線分析係統,對原油密度、黏度和含水等**進行檢測。柴油流量表的檢定采用體積管在線檢定,采用體積管對這4台流量計檢定的流量計係數(流量計係數是流量計基本誤差的一種表示方法,貿易交接量=流量計讀數×流量計係數)趨勢圖如圖2~圖5所示。

從圖2~圖5可以看出,這4台柴油流量表具有較強的穩定性和可靠性,其重複性和準確度較好,滿足原油貿易交接計量要求。
二、結束語
由於柴油流量表自身的優點和成功應用,以後柴油流量表在國內原油貿易交接計量中的應用將越來越廣泛,成為優先選用的流量計類型。
相關資訊
- 柴油流量表,二寸管柴油流量表
- 柴油流量表廠家,柴油專用流量表
- 柴油計量流量表,數顯柴油計量表
- 柴油流量表,柴油流量表廠家
- 高精度柴油流量表,二寸管柴油流量表
- 可清零柴油流量表,常用柴油流量表
- 重柴油流量表,油罐車柴油流量表
- 大口徑的柴油流量表,柴油流量表價格
- 柴油專用流量表,柴油流量計價格
- 柴油流量表,機械式柴油流量表
- 柴油流量表價格,3寸柴油流量表
- 大流量柴油流量表
- 重柴油流量表,柴油流量表廠家
- 可清零柴油流量表,油罐車柴油流量表
- 可回零柴油流量表,常用柴油流量表
- 高精度柴油流量表
- 柴油流量表,可回零柴油流量表
- 大流量柴油流量表,油船柴油流量計量表
- 柴油流量表,重柴油流量表
- 油罐車柴油流量表
- 可清零柴油流量表
- 柴油流量表廠家,高精度柴油流量表
- 柴油流量表,智能型柴油流量表
- 柴油流量表廠家
- 柴油流量表廠家,數顯柴油計量表
- 高精度柴油流量表,智能柴油計量表
- 柴油流量表,3寸柴油流量表
- 常用柴油流量表
- 可清零柴油流量表,高精度柴油流量表
- 油罐車柴油流量表,柴油流量表廠家

