91看片下载免费观看,91看片儿免费看,91看片网站下载,91看片视频免费

歡迎光臨金湖91看片下载免费观看儀表有限公司!本公司主營:渦輪流量計,電磁流量計,渦街流量計,孔板流量計,金屬管浮子流量計,磁翻板液位計等儀器儀表,聯係熱線:15195518515

金湖91看片下载免费观看儀表有限公司LOGO

金湖91看片下载免费观看儀表有限公司

品質保證,服務周到,儀器儀表供應商

--24小時服務熱線--15195518515
當前位置:*頁>>產品中心>>91看片视频免费>>膠91看片视频免费
膠91看片视频免费

膠91看片视频免费

  • 品*:JKM/91看片下载免费观看儀表
  • 型號:JKM-LC
  • 測量範圍:0.04-1000m³/h
  • 精度等級:0.5%
  • 公稱通徑:DN10-DN200
  • 適用介質:柴油 原油 工業油
  • 工作壓力:1.6-6.4Mpa
  • 工作溫度:-10-100℃
  • 供電方式:24VDC
  • 訂貨號:VHZ965616WYD

膠91看片视频免费概述

橢圓齒輪流量計是用於管道中液體流量連續或間斷測量和控製的容積式計量儀表。它具有量 程範圍大、準確度高、壓力損失小、粘度適應性強、能測量高溫高粘液體、標定方便、安裝建議等諸多優點。適用於石油、化工、化纖、交通、商貿、食品、醫藥衛生等部門的流量計量。

LC 係列橢圓齒輪流量計裝有指針和字輪累積裝置,可現場直接顯示流經管道內的液體流量和 瞬時流量。在計數機構中附加發訊裝置與電顯儀表配套可實現累積、定量和瞬時流量遠傳集中控製。 加裝散熱器或橢輪欠齒可測量高溫、高粘液體。

不同的液體(酸、堿、鹽、有機溶液等)流量計主體可選擇不同的材質製造。

膠91看片视频免费產品圖


膠91看片视频免费結構與工作原理

橢圓齒輪流量計由流量變送器和計數機構組成。變送器與計數機構之間加裝散熱器,則構成高 溫型流量計。送變器由裝有一對橢圓齒輪轉子的計量室和密封聯軸器組成,計數機構則包含減速機 構、調節機構、計數器、發訊器。

膠91看片视频免费結構圖

計量室內由一對橢圓齒輪與蓋板構成初月形空腔作為流量的計量單位。橢圓齒輪靠流量計進出 口壓力差推動而旋轉,從而不斷地將液體經初月形空腔計量後送到出口處,每轉流過的液體是初月 形空腔的四倍,由密封聯軸器將橢圓齒輪轉的總數以及旋轉的快慢傳遞給計數機構或發訊器,便可 知道通過管道中液體總量和瞬時流量。

膠91看片视频免费工作原理圖

1.各種計數器功能及代號

膠91看片视频免费計數器功能及代號表

2.型號及主要零件材質

膠91看片视频免费規格型號材質表

*如有特殊需要請另行注明


膠91看片视频免费性能(誤差與壓力損失曲線)

膠91看片视频免费誤差與壓力損失曲線圖

解釋:1 圖中各種不同液體可用精度調節裝置將流量計誤差調整在 0 軸上下,使誤差達*佳值。

2 任何液體縮少流量量程比情況下,用精度調節裝置可提高流量計精度。


膠91看片视频免费技術參數

1 鑄鐵型、鑄鋼型、不鏽鋼型橢圓齒輪流量計

膠91看片视频免费技術參數表

2 高粘型橢圓齒輪流量計

高粘度膠91看片视频免费技術參數表

3 高精度橢圓齒輪流量計

高精度膠91看片视频免费技術參數表


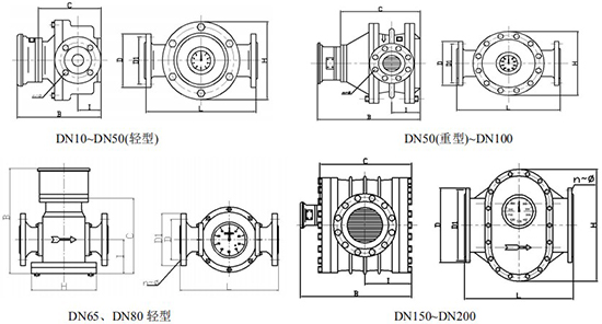
膠91看片视频免费外形尺寸

1 鑄鐵型橢圓齒輪流量計外形尺寸

型號:LC—A、LC—NA

膠91看片视频免费尺寸圖

膠91看片视频免费尺寸對照表


2 鑄鋼型外形尺寸

型號:LC—E、LC—NE、 (外形同上)

鑄鋼型膠91看片视频免费外形尺寸圖

*DN10/DN50(輕型)/DN65/DN80(輕型)法蘭尺寸為 1.6MPa 標準;其餘口徑為 6.4MPa 標準;


3 LC—B 型不鏽鋼橢圓齒輪流量計外形尺寸(單位:mm)

不鏽鋼膠91看片视频免费外形尺寸圖

*高溫型橢圓齒輪流量計外形尺寸:DN15~DN50(輕型),B 尺寸按上表數據加 100mm 熱延伸管;DN50 (重型)~DN200,B 尺寸按上表尺寸加160mm 熱延伸管,其餘尺寸同上表相應尺寸。


膠91看片视频免费的安裝使用

1 流量計前應安裝配套過濾器,且配套過濾器的出口緊接流量計的入口,兩者本體上箭頭指向 與液體流向一致。

2 當被測液體含有氣體時,流量計前應安裝消氣過濾器。

3 不論管路是垂直還是水平安裝,但流量計中的橢圓齒輪應安裝成水平位置(即表度盤應與地 麵垂直)。

4 流量計在正確安裝情況下,如果不易看清讀數,可把計數器轉向 180 度或 90 度均可。

5 新流量計在安裝前先用竹棍從出口處把橢圓齒輪推幾次,如發現不動,可以用柴油浸泡(避免 出廠校驗後內存沉澱物)。

6 流量控製閥應安裝在流量計進口處,開閉閥門裝在出口處,使用開閉閥時緩慢啟動,不要突 然開啟以防“水擊”現象。

7 在新管道上安裝流量計前,管道需要衝洗,衝洗時采用直管段(替代流量計位置)防止焊渣, 雜物等進入流量計。

8 嚴禁用水校驗鑄鐵、鑄鋼材質的流量計。

9 流量計在使用時流量大小不得超過技術要求.流量計工作在*大流量 50—80%為優。

10 被測液體如果具有化學腐蝕性,須選用不鏽鋼材質的流量計。

膠91看片视频免费現場安裝使用圖


膠91看片视频免费型號標識

膠91看片视频免费選型表

相關資訊

網站地圖